Tonbandservice

Ein Portal für die Reparatur und Wartung von 

Geräten der Reihe UHER Report 4000 - 4400 

und UHER Report Monitor 4000 - 4400

Monitor: Kein Saft mehr von außen und von innen- Elektronik Teil 5

Der Motor eines Report Monitor 4400 fing auf einmal zu rattern an und endete mit einem lauten Schlackern. Dann roch es plötzlich „elektrisch“ und der Motor gab keinen Mucks mehr von sich. Zu allem Übel ging gar nichts mehr. Der Zeiger der Batterieanzeige bewegte sich nur ein paar Millimeter nach rechts, das war das einzige „Lebenszeichen“.

Im Internet wird ein neuer UHER-Umbausatz für den Motor der Monitor-Modelle einschl. neuer Steuerungsplatine angeboten. Dies schien mir sinnvoller, als es mit Gebrauchtteilen zu probieren. Also den neuen Motor bestellt und gegen den alten samt Platine ausgetauscht (geht problemlos, nur ein wenig Lötarbeit).

Voller Erwartung eingeschaltet, und… nichts!

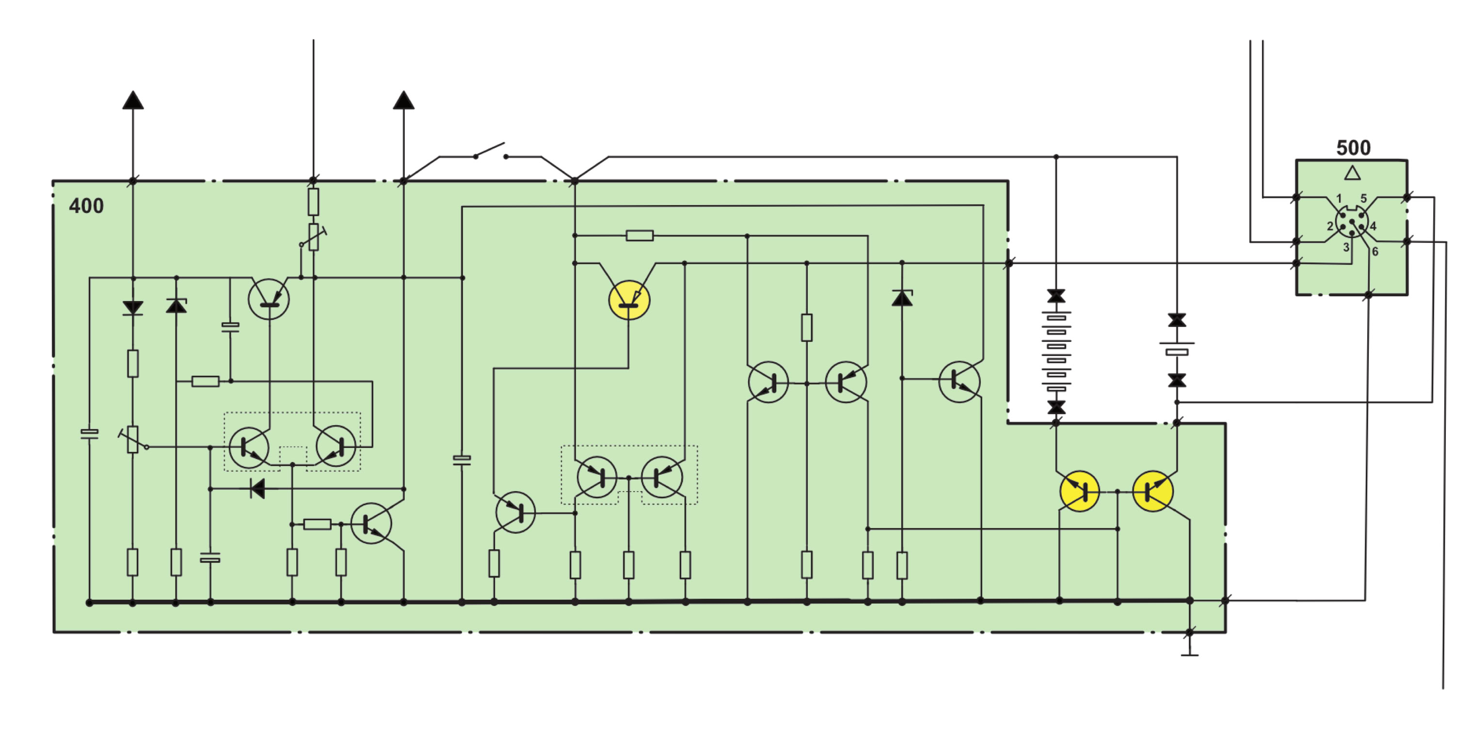
Weder mit eingelegtem Akku bzw. Netzteil noch mit außen angestecktem Netzteil bewegte sich etwas. Nichts lief mehr, alles tot. Der Fehler musste auf der Spannungsregelungsplatine zu finden sein. Ein Blick auf das Schaltbild ließ erkennen, dass an dem Strompfad von „innen“ und von „außen“ direkt 3 Transistoren beteiligt sind. Extern: Zweimal BC 368 und intern BC 369. Nach Austausch dieser Übeltäter lief alles wieder korrekt.  

Kleine Ursache - große Wirkung.

Aber Vorsicht! Die Lötarbeiten auf der kleinen Platine, auf der die Bauteile sehr eng nebeneinander liegen, erfordern Geschick und Erfahrung mit dem Löten. Unbedingt ein Entlötgerät verwenden. Und die Transistoren nur gegen die Originaltypen austauschen. Dabei auf die richtige Bezeichnung achten, denn der BC 386 ist vom Typ NPN, der BC 369 vom Typ PNP.

BC 369                                                                    BC 368       

Die Transistoren T3 (BC 369) und T7 / T8 (jeweils BC 368) im Schaltbild und Platinenlayout der Spannungsregelung (gelb hervorgehoben).

Grafiken: selbst erstellt